型號:AFi75xx
風量:3471m3/hr
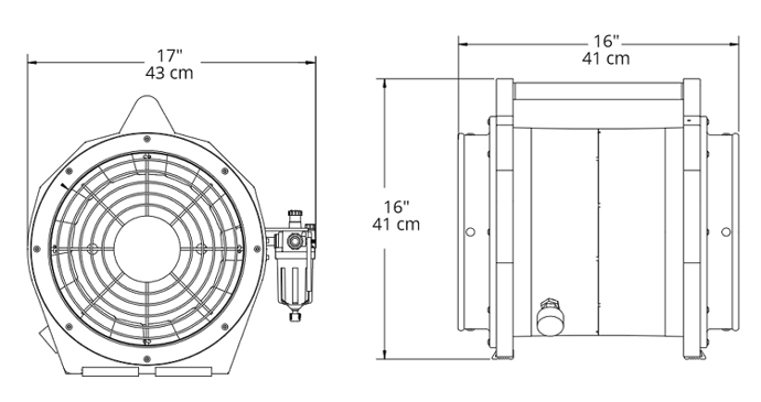
體積:410/430/410mm
電話:133-7212-5666
產品描述:【蘇州薩沃納】供應AFi75xx正負壓氣動防爆風機,此款AFi75xx氣動防爆排煙機屬于氣動正負壓排煙機,AFi75xx氣動防爆風機常用于化工廠,實驗室,儲罐等易燃易爆環境通風,密閉受限空間防爆排煙機,咨詢:1337212-5666
一、AFi75xx正負壓氣動防爆風機特點:
1、AFi75xx正負壓氣動防爆風機可在易爆環境中安全使用;
2、AFi75xx正負壓氣動防爆風機采用空氣驅動,屬于氣動軸流風機;
3、鋁制渦輪葉片經過高精度動平衡調節;
4、高強度,含玻纖加強型ABS機殼,輕巧,防腐,耐化學藥劑,耐用,PC / ABS防靜電外殼具有防風雨,抗凹陷,v0阻燃和耐化學腐蝕性;
5、AFi75xx正負壓氣動防爆風機配備風管適配器;
6、配排氣管,壓縮空氣帶動煙機運行;
7、配備過濾器,馬達潤滑器,排氣消聲器,空氣控制;
8、閥及靜電接地器,2個集成管道適配器,靜電接地線;
9、緊湊型氣動風機, 氣動馬達在管道外排氣。
二、AFi75xx正負壓氣動防爆風機參數表:
產品型號 | AFi75xx |
產品貨號 | AB7000 |
無阻礙風量 | 3471m3/hr |
空氣消耗量 | 68 m3/hr |
感應比例 | 51:1 |
| 風機直徑 | 30cm |
重量 | 15kg |
體積(h/w/d) | 410/430/410mm |
| 壓縮機功率 | 4.77kw |
噪音 | 89dB |
氣動馬達 | GAST-4AM-NRV-50C |
認證證書 | CE |
三、AFi75xx正負壓氣動防爆風機結構圖:

四、AFi75xx正負壓氣動防爆風機使用案例:

聯系人:沈先生
手 機:133-7212-5666
郵 箱:China@swn.cn
公 司:蘇州薩沃納
地 址:江蘇省昆山市慶豐西路555號